产品搜索
|
|
|
|
|
 
  产品类别
>> 浓缩设备

>> 反应设备

>> 蒸(精)系统

>> 换热设备

>> 过滤设备

>> 干燥设备

>> 混合设备

>> 粉碎设备

>> 筛分设备

>> 存储设备

  新闻动态
恭贺台州天工医化设备有限公司
新闻内容测试1
  浏览产品
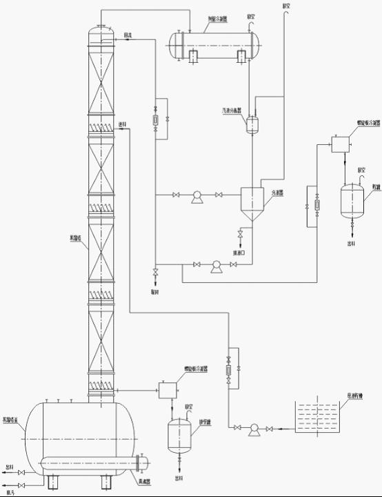
产品名称: 蒸(精)馏系统
市 场 价: 0
待 购 价: 0
产地生产商: 台州天工医化设备有限公司
说 明: 本公司可以根据用户提供的工艺参数,可设计蒸(精)馏及其系统。
 
 
 

概述
  本公司可以根据用户提供的工艺参数,可设计蒸(精)馏及其系统。

如代理设计,用户需提供以下数据:
  1、处理量:明确连续或间隙操作,每小时处理母液的量。
  2、组份和性质:处理前母液中各组份的含量和性质,包括沸点、密度、酸碱性、是否共沸等。
  3、温度和加热方式:处理前物料的温度,并注明采用蒸汽、热水等加热。
  4、冷却方式:注明采用冷却水、冷盐水等冷却。
  5、处理后的组份:处理后各组份的浓度,并注明排污最小浓度。
  6、材料:系统中各设备的材料要求。

  网站首页 | 公司简介 | 产品展示 | 相关证书 | 联系我们 | 发展历程 | 在线订单
公司名称:台州市天工医化设备有限公司 电 话:+86-576- 85188858 传 真:+86-576- 85188859 电子邮箱: tztgjsb@163.com 邮编:317000
主营产品: 浓缩设备 、 反应设备 、 蒸(精)馏滤系统 、 储存设备 、 换热设备 、过滤设备、干燥设备、混合设备、粉碎设备、筛分设备
Copyright © 2009 台州市天工医化设备有限公司 版权所有 建议最佳分辨率:1024*768 技术支持:天森计算机公司& lansec.cn

浙公网安备 33108202000279号 | 备案号:浙ICP备10207059号-1